Распиновка штатной Магнитолы Киа Рио
Kia Rio — самый популярный в модельном ряду корейского бренда. И неудивительно, ведь в разное время автомобили Kia собирались в России — в Калининграде, Санкт-Петербурге и Ижевске. Поэтому распиновка разъема головного устройства радиостанции Kia будет рассмотрена именно на примере головного устройства радиостанции для автомобиля Kia Rio.

Распиновка разъема головного устройства радиоприемника Kia
Магнитола Kia Rio 2013 считается современной и может быть установлена в автомобили начиная с 2011 года выпуска без каких-либо модификаций. Существует три варианта головных устройств:
- Бюджетный однодисковый магнитофон, позволяющий слушать компакт-диски или радиопередачи;
- 2-дисковое радио с расширенными функциональными возможностями;
- высокобюджетная мультимедийная система.
Последняя имеет соответственно богатую функциональность и обширное оснащение, включая:
- Сенсорный экран
- навигационная система;
- Подключение к Интернету через мобильную сеть 3g;
- Воспроизведение всех современных аудио- и видеоформатов (!);
- пульт дистанционного управления;
- Операционная система Android;
- Поддержка беспроводного протокола Bluetooth.
Многие пользователи заменяют радиоприемник, установленный в автомобиле на заводе при его покупке, на более современную модель. Кроме того, часто Kia Rio поставляется вообще без бортовой «музыки».
Немного истории и описание Kia Rio 2

Производство второго поколения машины B-класса началось в марте 2005 года: 4-дверный седан и 5-дверный хэтчбек. В некоторых других странах авто носило немного другие название, например:
- в Южной Корее и Индонезии — Kia New Pride;
- в Северной Америке — Kia Rio5.
В начале 2009 года Киа Рио 2 подвергся небольшому рестайлингу. Дизайнеры и инженеры подвергли небольшим изменениям переднюю и заднюю часть кузова — бампера, фары и решетку радиатора, а также салон — руль, сиденья и панель приборов.
На российский и украинский рынки поставлялись автомобили только с бензиновым двигателем G4EE — 1,4 литра, 16 клапанов, 97 л.с. Трансмиссия была 5-ступенчатая механика или 4- ст. автоматическая. В Соединённых Штатах был доступен также бензиновый двигатель G4ED (1,6 л, 16V, 112 л.с.), а в Европе и Корее был также турбодизель D4FA — 1,5 л, 16V, 110 лошадиных сил.
Технические характеристики Киа Рио 2 (1,4 л / 97 л.с.):
- Длинна (хэтчбек / седан) — 4025 / 4250 мм
- Колесная база — 1470 мм
- Ширина — 1695 мм
- Высота — 1470 мм
- Снаряженная масса / максимальная допустимая — 1080 / 1580 кг
- Дорожный просвет — 155 мм
- Максимальная скорость — 177 км/ч
- Разгон от 0 до 100 км/ч — 12,3 секунды
- Размер шин — 175/70 R14
- Передние тормоза — дисковые, вентилируемые с плавающей скобой
- Задние тормоза — барабанные с самоцентрирующимися колодками и механизмами автоматической регулировки зазоров
Расход топлива Kia Rio 2 (хэтчбек / седан) для МКПП:
- город — 7,9 / 8 л
- шоссе — 5,2 / 5,1 л
- смешанный цикл — 6,2 / 6,2 л
Расход топлива Киа Рио 2 (хэтчбек / седан) для АКПП:
- город — 9,9 / 9,5 л
- шоссе — 5,6 / 5,4 л
- смешанный цикл — 7,2 / 6,9 л
Схемы электрооборудования Киа Рио 2 (2005-2011)
1. Перед тем как дать электросхемы, я хочу поделится некоторыми системами авто, первое — это детали головки блока цилиндров:
![]()
2. Пошаговые действия по очистке системы вентиляции картера двигателя автомобиля Kia Rio 2:
![]()
3. Где находится блок с предохранителями в машине вы узнаете на фотографиях ниже. Схема расположения предохранителей, плавких вставок и реле в монтажном блоке Киа Рио 2, что расположен в подкапотном пространстве и в салоне авто (описание предохранителей: сила тока – А, цвет и назначение):
![]()
![]()
![]()
Совет: всегда храните в своём автомобиле запасной комплект предохранителей — по одному каждого номинала.
4. Пошаговые действия и подробная схема подключения магнитолы Kia Rio 2005-2011 г.в., а также снятие и установка часов:
![]()
5. Электросхема системы впрыска топлива:
![]()
6. Схема Киа Рио 2 — датчик конструкции управления двигателем авто G4EE, 1,4 литра:
![]()
7. Принципиальная схема зажигания машины:
![]()
8. Топливный насос, датчик температуры охлаждающей жидкости и давления в системе кондиционирования автомобиля как с автоматической коробкой ПП, так и с механической:
![]()
![]()
9. Схема электрооборудования Киа Рио 2 — стартер и генератор:
![]()
![]()
10. Электросхема работы света передних фар машины (ближний и дальний):
![]()
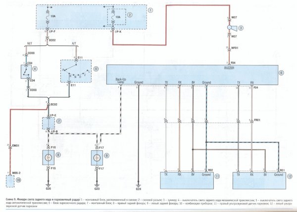
11. Лампы заднего хода и парковочный радар:
![]()
12. Схема Kia Rio 2 — освещение номерного знака и габаритные огни:
![]()
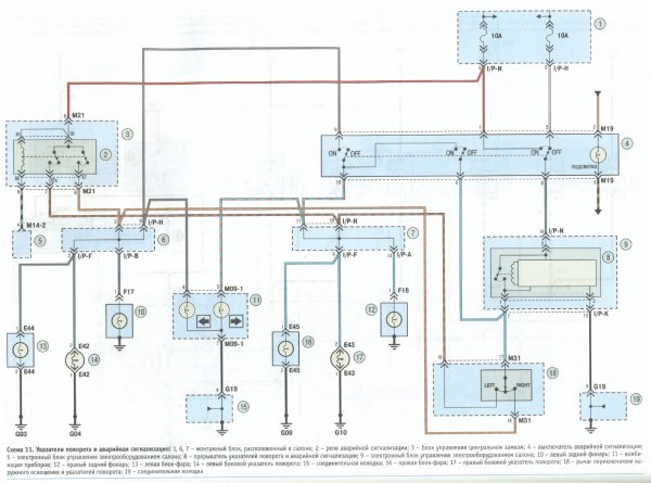
13. Указатели поворотов и аварийная сигнализация:
![]()
![]()
15. Схемы Киа Рио 2 — задние и передние противотуманные фонари:
Переходная рамка KIA Rio 2018 российский рынок
Переходная рамка Kia Rio номер RKIA-N53 подходит для установки 2-диновой магнитолы в автомобили Kia Rio 2018 года выпуска. Замена старого радио на более современный аппарат, понимающий новые форматы и оснащенный модулем Блютуз, проблема с которой рано или поздно сталкивается любой владелец автомобиля выпуска первого десятилетия XXI века. Не очень то удобно пользоваться одним радио, а что касается громкой связи, то это уже давно обязательная утвержденная законом норма. Этот адаптер позволяет инсталлировать современное головное устройство большого формата.

Сам процесс замены автомагнитолы не займет у вас много времени. Штатная магнитола довольно легко снимается, новая устанавливается на ее место и фиксируется при помощи рамки. Единственный важный момент – подключение магнитолы к бортовой сети и подключение штатной антенны к ресиверу. Если не подготовиться заранее, то могут возникнуть проблемы, потому что штатная разводка Kia имеет специфичный разъем, присущий только автомобилям этой марки. Для решения этого вопроса достаточно приобрести дополнительно переходник Kia ISO HY-04 и антенный адаптер.

Приобретая этот переходник, вы можете быть уверены, что он идеально подходит в штатное место, полностью компенсируя щели, остающиеся после установки головного устройства стандарта 2 DIN. Цвет и текстура рамки идеально соответствуют оригинальному цвету и типу пластика панели автомобиля. Материалом для изготовления рамки мы выбрали высококачественный ABS пластик, который прослужит вам долгие годы, не растрескается, не погнется, не выцветет. Простота установки новой магнитолы не требует специальных навыков, но при наличии дополнительных аксессуаров (см. выше). Замена штатной акустики способна еще более кардинально улучшить звучание аудиосистемы вашего автомобиля.
Покрытие рамки – черный рояльный лак.
ВНИМАНИЕ! Распиновка штатного разъема магнитолы в автомобилях с оригинальной камерой и без отличаются друг от друга! Переходник ISO HY-04A (с USB) подходит только для автомобилей без оригинальной камеры.
Параметры устанавливаемой магнитолы:
Габариты корпуса магнитолы до (ширина х высота) 180 х 100 мм
Габариты лицевой панели магнитолы (часть магнитолы, которая вставляется в рамку)
до (ширина х высота) 173х98 мм с использованием вставки (идет в комплекте с рамкой)
до (ширина х высота) 178х102 мм без использования вставки
.jpg)
Параметры устанавливаемой магнитолы:
Габариты корпуса магнитолы до (ширина х высота) 180 х 100 мм
Габариты лицевой панели магнитолы (часть магнитолы, которая вставляется в рамку) до (ширина х высота) 173х98 мм с использованием вставки (идет в комплекте с рамкой) до (ширина х высота) 178х102 мм без использованием вставки
Покрытие рамки – черный рояльный лак.
ВНИМАНИЕ! Распиновка штатного разъема магнитолы в автомобилях с оригинальной камерой и без отличаются друг от друга! Переходник ISO HY-04A (с USB) подходит только для автомобилей без оригинальной камеры.
Таблица соответствия штатных динамиков:
| Расположение динамиков | Размер |
| Передние двери | 16.5 см |
| Задние двери | 16.0 см |
Переходные рамки Incar сделаны их высококачественного ABS пластика и производитель гарантирует долгую и безупречную службу изделия.
Монтаж
Приобретая новое устройство, следует помнить: на Kia Rio магнитола должна соответствовать по размерам штатной. Нужно понимать, что однодиновые приёмники значительно уже двухдиновых, похожих на большой прямоугольник или квадрат.
Кстати, европейцы отдают предпочтение именно первому типу приборов, в то время как корейцы и даже американцы облюбовали второй.
Стоит отметить, что потребители России также предпочитают формат 2DIN, позволяющий воспроизводить радиочастоты и записи со сторонних носителей. Благодаря большим размерам корпуса в устройстве сочетаются разные функции, что создаёт дополнительный комфорт при поездках. Дисплей прибора подойдет в качестве навигатора.
Установка магнитолы – процесс несложный. Существует два способа.
Первый способ
- Обрезаются провода, идущие от автомобильной проводки или штекера самого устройства.
- Проводка соединяется с последующей изоляцией с учётом цветовой распиновки.
Среди недостатков этого метода – недолговечность и неэстетичность. Зимой фиксация изолентой становится ненадёжной, что провоцирует короткое замыкание и повреждение электросистемы автомобиля. Применение зажимных клемм и термоусадочных трубок позволяет избежать проблем.
Второй способ
Этот вариант считается более долговечным и надежным, так как способствует созданию прочных соединений. Он предусматривает установку контактов формата ISO. Существующие штекеры упрощают подключение и отладку нового устройства после изъятия старого.
Поэтому для нового автомобиля следует производить монтаж плеера в специализированном сервисном центре Киа.
Особенности установки мультимедиа системы В зависимости от начальных условий имеется два варианта установки мультимедийной системы: Замена неродной магнитолы Этот вариант отлично подойдет автолюбителям, у которых ранее стояла неродная музыкальная система. В этом случае для монтажа магнитолы необходимо полностью обрезать штекерное соединение. После этого нужно по цветовой распиновке распиновка магнитолы kia rio установку штатной магнитолы согласно требованиям производителя.
Цветовые обозначения кабелей показаны на рисунке. Улучшение штатного плеера Такой вариант устроит владельцев автомобиля Киа Рио с установленным штатным проигрывателем.
В таком случае в подключение магнитолы не нужно вносить никаких изменений. Монтаж производится по инструкции к транспортному средству через разъемы ИСО. Распиновка магнитолы kia rio однодиновых магнитол не нужно предпринимать никаких действий, а вот более продвинутые проигрыватели могут потребовать расширение посадочного места и использование специальных рамок-переходников.
В зависимости от наличия или отсутствия металлической рамки имеется два способа установки однодиновой магнитолы. Единственный возможный момент, который может вызвать затруднения — установка устройства 2-дин.
Обзор Инкар CHR-1892CD для Киа Спектра нового образца
Киа Спектра 2din автомагнитолы
Мощная мультимедийная система, которая по дизайну подойдет идеально в салон современных Киа Спектра.
Описание
- Штатное управление называют одним из главных преимуществ модели, ведь есть возможность управления с руля;
- GPS-модуль автомагнитолы позволит обеспечить отменную навигацию. Можно загружать карты дорого и выбирать самый кратчайший путь. Кроме того, датчик поможет водителю определить, есть ли на пути следования пробки;
- Отдельного внимания заслуживает модернизированная система подвески, которая способна уберечь магнитолу от повреждений, если Киа Спектра попадет на бездорожье.
Возможности
| Платформа | I10 |
| Дисплей | 7 дюймов/широкоформатный/16:9/TFT LCD/высокое разрешение |
| GPS-приемник | Встроенный/навигационное программное обеспечение/Навител с картами России, Украины, Белоруссии и Казахстана |
| Интернет | есть |
| Интерфейс | Графический/русифицированный |
| Поддержка карт | SD/MMC |
| Подключение управления к кнопкам руля | есть |
| Выходы | Сабвуфер/дополнительные мониторы/внешний источник AV |
Модели штатных могнитол на Киа рио

Эти модели автомобилей Kia Rio в основном предлагались в базовой комплектации, где наличие автомагнитолы не предусматривалось, имелась только так называемая аудиоподготовка, которая, проще говоря, является местом для установки музыкального центра.
Второе и третье поколения Kia Rio уже были оснащены заводскими магнитолами.
Автомагнитола Киа Рио
Штатная магнитола, установленная в различных моделях автомобиля Kia Rio, имеет больше недостатков, чем преимуществ: многие водители отмечают низкое качество звука, нечеткие низкие и высокие частоты и тому подобное. Неудивительно, ведь заводская комплектация — самая простая, уступающая по большинству параметров современным моделям.
Штатные магнитолы, устанавливаемые на автомобили Kia Rio, не способны работать с электронными устройствами, объем памяти которых превышает 2 гигабайта. С точки зрения современности это очень плохо, хотя еще каких-то шесть лет назад объем памяти автомобильных магнитол был вполне достаточным.
В сегодняшних реалиях такой магнитофон можно считать неисправным оборудованием; его нельзя использовать в полную силу. Правильным решением может стать замена заводского головного устройства на более современную модель.
Качественная музыка, звучащая в автомобиле, может значительно сократить время поездки и сделать ожидание в большой пробке менее утомительным. Каждый автолюбитель хочет иметь хорошую стереосистему, и ключевым моментом здесь является автомобильное радио.
Современные модели автомагнитол для Kia Rio отличаются высоким качеством и широким спектром возможностей.
Интересно! Для всего современного модельного ряда автомобилей Kia Rio разрабатываются специальные медиацентры, которые идеально вписываются в заводскую нишу и полностью соответствуют цвету торпедо именно этой модели автомобиля.
Управление богатым функционалом современных мультимедийных устройств осуществляется с помощью сенсорного переключателя или кнопок управления на рулевом колесе, а подключение производится через существующий заводской жгут проводов.
В качестве опции можно подключить следующие устройства:
- радарный датчик;
- Камера заднего хода;
- мониторы, встроенные в подголовники передних сидений;
- датчики скорости.
Магнитола Киа Рио 2
Радиоприемник Kia Rio 2 — это современное, многофункциональное мультимедийное устройство, включающее современную навигационную систему, возможность использовать цветной дисплей в качестве телевизора и камеру заднего хода. Поддерживается функция bluetooth.
Радиоприемник Kia Rio 2 относится к универсальным устройствам и может быть установлен на автомобили Kia Rio разных модельных годов. Проблем с форматированием нет, это радио поддерживает все способы воспроизведения аудиодорожек.
Интерфейс управления понятен и прост, сенсорная панель с меню на русском языке позволяет быстро освоить все функции современной мультимедийной системы.
Магнитола Киа Рио 3
Радио Kia Rio 3 широко распространено. Помимо наличия bluetooth, в нем есть USB и слот micro SD.
Это радио имеет очень дружественный интерфейс, который легко освоить даже водителю, весьма далекому от современных цифровых технологий.
Интересно! Радио очень хорошее и может управляться с помощью инфракрасного пульта дистанционного управления.
Радиоприемник можно установить самостоятельно, просто внимательно прочитайте инструкцию.
- https://vw-guide.ru/apparatura/raspinovka-magnitoly-kia-rio/
- https://paradiz-nt.ru/stati/raspinovka-magnitoly-kia-rio.html
- https://mallsspb.ru/kia/kia-rio-raspinovka-magnitoly.html
- https://avtomobili-help.ru/prochie/raspinovka-magnitoly-kia-rio-4.html