Когда нужно производить замену
Замену цепи ГРМ на Киа Спортейдж 3 в зависимости от типа двигателя и используемой цепи рекомендуется проводить после пробега 100-150 тысяч километров. Однако обращать внимание на состояние блока ГРМ стоит намного раньше, при регулярном осмотре и других профилактических работах для достижения 50 000 и более километров пробега.
Выполнить срочную процедуру замены можно при появлении в моторе ударов, особенно выраженных при определенной частоте вращения. Как правило, это свидетельствует о том, что либо снизилось натяжение цепи из-за поломки натяжителя, сломан зуб или износилась одна из шестерен механизма.
Актуальность ремонта объясняется тем, что сорванная с валов цепь может нанести серьезные повреждения механизму ГРМ. Цилиндры двигателя также выходят из строя на высоких оборотах из-за уменьшения силы вращения. В итоге вместо замены цепи нужно провести полный капремонт двигателя.
Как поменять ремень генератора на Hyundai Santa Fe?
Как поменять приводной ремень и шкив генератора на Санта Фе 2.2
- Выворачиваем руль максимально вправо;
- Снимите защиту двигателя за правым передним колесом;
- Снимаем и отодвигаем в сторону бачок ГУР;
- Снимите приводной ремень;
- Открутите диск генератора;
- Устанавливаем новый шкив;
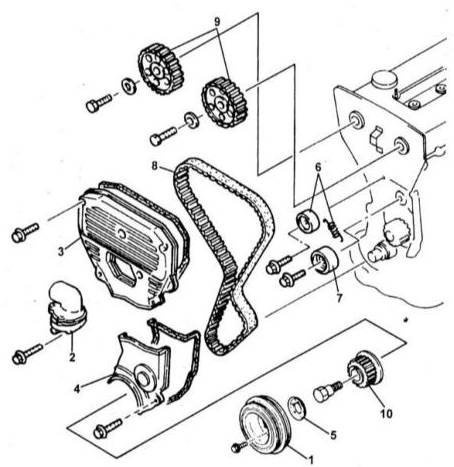
Ремкомплект ГРМ для бензинового двигателя 2.0 Kia Sportage 3

На вопрос — когда менять цепь ГРМ на Киа Спортейдж 3 однозначного ответа нет! ОД говорит, что по плану ТО цепь менять не будут. Меняется, если появляются симптомы растяжения цепи – посторонние стуки на работающем двигателе или при прогреве.
Но как рекомендация, надо посмотреть на сколько продвинулся натяжитель цепи на пробеге 150 000 км! Если почти на все зубья, то уже надо менять весь комплект ГРМ: цепь, натяжитель и успокоители.
К счастью, цепь на бензиновых 2-литровых двигателях G4KD ходит достаточно долго, в среднем срок службы цепи на нашем Спортейдже составляет 200 000 км. Сама конструкция цепи очень прочная, состоит из 4-х рядов, что позволяет ей служить долго.
Что нужно купить при замене цепи ГРМ?
Схема грм двигателя G4KD 2L


Цепь ГРМ
Гидронатяжитель цепи

Направляющая планка цепи

Меч, демпфер цепи ГРМ.
Башмак

Цепная направляющая.
Плюсы и минусы цепи ГРМ
Между автолюбителями часто возникают разногласия по поводу того, какой привод лучше – ременный или цепной. Чтобы разобраться в этой проблеме, необходимо знать о преимуществах и недостатках использования цепной передачи ГРМ, о ее назначении и конструктивных особенностях.
Цепь ГРМ уже давно используется в качестве приводного механизма. Некоторые новички считают это понятие устаревшим, но на самом деле это не так. Подобное решение успешно реализовано в самых современных автомобилях производства таких крупных автомобильных компаний, как BMW, Toyota, Mitsubishi, Kia и др. использование цепного привода в ГРМ обусловлено объективными преимуществами:
- Высокая прочность. Цепной привод крайне редко подвергается механическим повреждениям.
- Стойкость к истиранию. Цепь ГРМ прослужит без замены не менее 100-200 тысяч километров пробега, если за ней ухаживать должным образом.
- Невосприимчивость к высоким и низким температурам.
- Практически не растягивается под нагрузкой. Цепь в Киа и других автомобилях может немного растянуться, но только при длительной эксплуатации без замены.
- Устойчивость к локальным резким перегрузкам.

Цепной привод ГРМ не лишен недостатков:
- увеличенный вес. Этот пункт может быть актуален не для всех. Однако в некоторых случаях этот факт важен (например, в моделях гоночных автомобилей).
- Сложный дизайн, высокая себестоимость. Сложность производства влияет на цену для конечного потребителя. Кроме того, приводной узел должен быть оборудован демпферами и натяжителями. Это усложняет конструкцию, так как данные элементы в моделях Киа могут выйти из строя и создать автовладельцу лишние проблемы.
- повышенный шум. Любой, даже новый цепной привод шумит больше, чем ременный.
- Сложная замена. Для профилактического осмотра привода обычно необходимо сначала снять специальную крышку на блоке цилиндров, а затем крышку самого блока. Такие же операции проводятся при замене цепи ГРМ на Киа. Не все автовладельцы готовы изменить стиль вождения самостоятельно, поэтому приходится пользоваться платными услугами автосервисов. Дальнейшая сложность связана с необходимостью правильной установки взаимного положения коленчатого и распределительного валов.
Признаки, причины и последствия выхода из строя цепи ГРМ
Цепной привод спрятан внутри двигателя, в отличие от ременного ГРМ, который находится снаружи силового агрегата. Это можно считать как преимуществом, так и недостатком. С одной стороны, изолированный механизм создает меньше шума и обильно смазывается маслом, что увеличивает срок службы устройства. С другой стороны, обслуживание и замена регулятора ГРМ становится затруднительной, так как для визуального осмотра механизма необходимо также снимать клапанную крышку.
Неисправность цепи ГРМ в основном выражается в появлении характерного гула под капотом при работающем двигателе Киа. Этот звук слышен со стороны газораспределительного механизма, спутать его с другим шумом крайне сложно.
Подготовка к замене
Перед проведением работ по замене цепи ГРМ обязательно приобретите оригинальный ремкомплект или саму цепь отдельно. Цена на эти комплектующие будет зависеть от места покупки, но обычно оригинальные комплекты стоят вполне разумно.
Обязательно обеспечьте удобный доступ к автомобилю со всех сторон капота, так как в процессе разборки двигателя и разборки других элементов вам придется проделать немало работы. Дизайн Киа Спортейдж 3 из-за стремления разместить все достаточно компактно не очень удобен для работы.
Учитывая расположение боковой крышки ГРМ и болтов на поверхности, потребуется снять переднее правое колесо, поставив автомобиль на домкрат. Это значительно упростит доступ и позволит быстрее выполнять некоторые демонтажные и монтажные работы.
Для проведения необходимых работ потребуется стандартный набор инструментов автослесаря, основными составляющими которого являются:
- Набор ключей;
- Трещотка с набором насадок;
- Гидравлический или электрический ключ, желательно с ударной функцией (если их нет, нужны молоток и молоток, которыми можно выбить ключ и крепеж, пригоревшие на поверхность при длительном использовании);
- Стамеска и минусовая отвертка.
Перед началом работы в обязательном порядке необходимо слить из радиатора моторное масло и антифриз, а также любые другие технические жидкости, которые могут помешать проведению работ.
Какой тип ГРМ на Киа Спортейдж 3?
Обычно это происходит после 80 км. В некоторых случаях они ограничиваются ремонтом, а не заменой всего сустава. Остальные элементы полноприводной трансмиссии непритязательны. Карданный вал имеет длительный срок службы и не требует обслуживания. Износ задних пыльников, как и ГРМ на Киа Спортейдж 3 встречается очень редко, как и выпадение сальников за коробкой передач. Достаточно вовремя менять в нем масло.
Средний ресурс тормозных дисков и колодок всего 20 км! А все из-за некачественных корейских оригинальных запчастей. Иногда колодки не подходят к скобам — стачиваются.
Аналоговые детали немного дороже, но намного долговечнее. Полная замена родных расходников на неоригинальные купоны повысит эффективность тормозов. Болты регулировки развала на продольных рычагах закисают и срезаются.
Какое тут везение — причина в некачественном креплении. Ступичные подшипники меняются по кругу через 40-60 км. Хорошо, что есть доступные и более жесткие аналоги.
Третий Sportage оснащен гидравлическим или электрическим усилителем руля, интегрированным в рулевую колонку. Схему опять же найти сложно: к счастью, обе системы проблем не вызывают: на полноприводных Спортий, в основном на автомобилях — 40 км производства, ГРМ которого на Киа Спортейдж 3 является соединительной линией, проходящей через распределитель промежуточного вала и правый редуктор.

Муфта ломается настолько, что вал шайбы вращается на холостом ходу, а правый привод остается на месте. Оба элемента подлежат замене. Производитель заменил неисправные детали по гарантии на такие же новые.
Узлы не модернизировали, просто исправили производственный брак — уменьшили допуски на зазоры в траках.

Из-за износа этой пары иногда начинал подтекать сальник раздаточной коробки, что само по себе не вызывает особого беспокойства по поводу ГРМ Киа Спортейдж 3. Многих не устраивает подвеска — их амортизаторы редко превышают 60 км. На рынке есть неоригинальные, но более комфортные аналоги по привлекательной цене, но они подходят не для всех автомобилей.
Данные испытаний укажут на изменение фаз газораспределения двигателя. Все производители автомобилей акцентируют внимание на качестве масла и указывают, что цепь ГРМ обрывается при несоблюдении правил эксплуатации по периодичности и качеству замены масла. При эксплуатации автомобиля используйте только те сорта масла, которые рекомендованы заводом-изготовителем.
Преждевременная замена цепи ГРМ, стоимость которой значительна, а стоимость ремонтных работ высока, ждет владельцев Daewoo, Kia, SangYong, Hyundai, Chevrolet и других марок, не меняющих моторное масло регулярно. Если автовладелец не контролирует расход масла, давление в системе падает, в результате чего ослабевает натяжение цепи.
Кроме того, к причинам преждевременного износа цепи ГРМ относятся: Преждевременная замена поврежденной цепи ГРМ приводит к проскальзыванию, разрушению зубьев звездочки и повреждению головки блока. После разборки необходимо промыть их в бензине, просушить и осмотреть поверхность.
Зачастую трещины и другие ГРМ на Киа Спортейдж 3, свидетельствующие о приближающемся переломе зуба, на первый взгляд незаметны, и после установки новой цепи, сделав большой объем, вскоре придется переделывать работу по замене шестерен.
По окончании работ необходимо долить масло и антифриз.
Когда менять ремни ГРМ на Киа Спортейдж 3
Выше было сказано, что замена необходима через 100 тысяч километров. Однако задуматься о диагностике этой части следует намного раньше. На примерно 50 пройденных дистанциях в 50 тысяч километров можно провести диагностику неисправности.
Однозначным сигналом будет появление непонятных стуков внутри двигателя, что говорит о потере достаточного напряжения или поломке шестерен двигателя. Мы не рекомендуем откладывать вмешательство в эксплуатацию порванного ремня.
Важно вовремя ремонтировать ремень или цепь для поддержания полной работоспособности двигателя.
На каком пробеге замена цепи Киа Спортейдж 3?
Менять цепь ГРМ необходимо примерно на пробегах 120 000 км — 200 000 км, все зависит от эксплуатации автомобиля, в городах ее нужно менять чаще, так как она еще и изнашивается на холостом ходу, а значит пробки сокращают срок его службы (городской цикл — тяжелые условия эксплуатации).
Инструменты и запчасти

Набор необходимых инструментов
При замене блока сцепления вам потребуются следующие инструменты:
- ключ с удлинителем;
- головки размером 10, 12, 14 и 22 мм;
- торцевой ключ на 12 мм;
- плоская отвертка;
- нож;
- приспособление, фиксирующее шкив коленчатого вала.

Требуются оригинальные запчасти
Список необходимых оригинальных запчастей для G4KD с номерами деталей:
- торговая сеть — 24321-25000;
- натяжитель цепи — 24410-25001;
- болт — 24349-25001;
- соска — 24431-25001;
- соска — 24420-25002;
- механический натяжитель в сборе — 24460-25001;
- болт — 24388-25001;
- болт — 24348-25001 (2 шт.);
- прокладка клапанной крышки — 22441-2Г100;
- передний сальник коленвала — 21421-25002;
- уплотнительное кольцо насоса — 25130-25002;
- ремень клиновой полиэтиленовый — 25212-2G750;
- натяжители ремней с роликами — 25280-2Г100 (2Г105);
- ролик натяжной — 25287-25110;
- термостойкий герметик — 7031141420.
Какой тип ГРМ на Киа Спортейдж 3?
Обычно это происходит после 80 км. В некоторых случаях они ограничиваются ремонтом, а не заменой всего сустава. Остальные элементы полноприводной трансмиссии непритязательны. Карданный вал имеет длительный срок службы и не требует обслуживания. Износ задних пыльников, как и ГРМ на Киа Спортейдж 3 встречается очень редко, как и выпадение сальников за коробкой передач. Достаточно вовремя менять в нем масло.
Средний ресурс тормозных дисков и колодок всего 20 км! А все из-за некачественных корейских оригинальных запчастей. Иногда колодки не подходят к скобам — стачиваются.
Аналоговые детали немного дороже, но намного долговечнее. Полная замена родных расходников на неоригинальные купоны повысит эффективность тормозов. Болты регулировки развала на продольных рычагах закисают и срезаются.
Какое тут везение — причина в некачественном креплении. Ступичные подшипники меняются по кругу через 40-60 км. Хорошо, что есть доступные и более жесткие аналоги.
Третий Sportage оснащен гидравлическим или электрическим усилителем руля, интегрированным в рулевую колонку. Схему опять же найти сложно: к счастью, обе системы проблем не вызывают: на полноприводных Спортий, в основном на автомобилях — 40 км производства, ГРМ которого на Киа Спортейдж 3 является соединительной линией, проходящей через распределитель промежуточного вала и правый редуктор.

Муфта ломается настолько, что вал шайбы вращается на холостом ходу, а правый привод остается на месте. Оба элемента подлежат замене. Производитель заменил неисправные детали по гарантии на такие же новые.
Узлы не модернизировали, просто исправили производственный брак — уменьшили допуски на зазоры в траках.

Из-за износа этой пары иногда начинал подтекать сальник раздаточной коробки, что само по себе не вызывает особого беспокойства по поводу ГРМ Киа Спортейдж 3. Многих не устраивает подвеска — их амортизаторы редко превышают 60 км. На рынке есть неоригинальные, но более комфортные аналоги по привлекательной цене, но они подходят не для всех автомобилей.
Данные испытаний укажут на изменение фаз газораспределения двигателя. Все производители автомобилей акцентируют внимание на качестве масла и указывают, что цепь ГРМ обрывается при несоблюдении правил эксплуатации по периодичности и качеству замены масла. При эксплуатации автомобиля используйте только те сорта масла, которые рекомендованы заводом-изготовителем.

Преждевременная замена цепи ГРМ, стоимость которой значительна, а стоимость ремонтных работ высока, ждет владельцев Daewoo, Kia, SangYong, Hyundai, Chevrolet и других марок, не меняющих моторное масло регулярно. Если автовладелец не контролирует расход масла, давление в системе падает, в результате чего ослабевает натяжение цепи.
Кроме того, к причинам преждевременного износа цепи ГРМ относятся: Преждевременная замена поврежденной цепи ГРМ приводит к проскальзыванию, разрушению зубьев звездочки и повреждению головки блока. После разборки необходимо промыть их в бензине, просушить и осмотреть поверхность.
Зачастую трещины и другие ГРМ на Киа Спортейдж 3, свидетельствующие о приближающемся переломе зуба, на первый взгляд незаметны, и после установки новой цепи, сделав большой объем, вскоре придется переделывать работу по замене шестерен.
По окончании работ необходимо долить масло и антифриз.
Сколько ходит цепь на Киа Церато?
Цепь ГРМ прослужит без замены не менее 100-200 тысяч километров пробега, если за ней ухаживать должным образом.
Когда менять цепь на Киа Соренто?
Замена цепи ГРМ Киа Соренто Менять цепь ГРМ рекомендуется на автомобилях Киа Соренто с пробегом от 100 тыс км. Так что, конечно, цепь ГРМ может пройти более 200 тыс км.
Меняем ГРМ G4KD
В первую очередь удалите из двигателя все, что мешает замене цепи.
- Отсоедините отрицательную клемму аккумулятора.

Отсоедините кабель от терминала
«Меньше», чем батарея.- Снимите пластиковую крышку двигателя (А).
- Снятие пластиковой крышки двигателя
- Поднимите автомобиль и снимите переднее пассажирское колесо.
Поднимите автомобиль и снимите переднее колесо и крыло со стороны пассажира. - Снимите крышку, защищающую ремень привода вспомогательных агрегатов.
- Проверните коленчатый вал так, чтобы поршень первого цилиндра находился в верхней мертвой точке (такт сжатия).

Привести поршень первого цилиндра в положение ВМТ так, чтобы дорожка осталась на цепи
редукторный двигатель и коленчатый вал. Буква B на звезде должна быть
противоположно окрашенное звено А на цепи привода ГРМ.- Открутив крышку поддона, слейте моторное масло в подготовленную емкость.
Слить масло из картера - Установите второй домкрат на масляный поддон и слегка приподнимите двигатель. Чтобы не поцарапать металл, поместите кусок дерева подходящего размера между домкратом и поддоном.
Подоприте двигатель (домкрат) резиновой или деревянной опорой. - Снимите опору двигателя.
- Снимите опору двигателя.
- Снимите ремешок, который управляет аксессуаром.
Снимите ремешок, который управляет аксессуаром. - Снимите шкив вместе с натяжителем ремня.
-
Примечание. На двигателе G4KD болт на промежуточном колесе имеет обратную резьбу.
-
- Отвинтите шайбу водяного насоса (А), шайбу коленчатого вала (В) и опору G4KD (С).
Откручиваем шайбу водяного насоса (внизу), шайбу коленвала (вверху) - Отсоедините кабель «OSU» (A).
- Отсоедините вентиляционный шланг.
- Отсоедините вентиляционный шланг
- Отсоедините штекер катушки зажигания от трубки DCS (B).
Отсоедините катушку зажигания - Снимите все четыре катушки зажигания.
- Демонтируем все четыре катушки зажигания.
- Откручиваем болты на крышке ГБЦ и снимаем ее.
Как открутить болты крышки головки блока цилиндров
Снятие поддона, крышки и цепи
- Снимите два нижних болта, удерживающих компрессор кондиционера.
Ослабьте два нижних болта крепления компрессора кондиционера. - Снимите кронштейн, к которому крепится компрессор.
Снимите кронштейн, к которому крепится компрессор. - В нижней части G4KD ослабьте болты по окружности чаши и опустите ее. Таким образом, вы не повредите контактную поверхность поддона и не заблокируете его.
- Снимите масляный поддон двигателя
- Снимите колпачок, закрывающий дозирующий механизм. Внимание, даже здесь важно не испортить посадку самолета.
- Снимите крышку цепи привода ГРМ.
- Проверьте положение коленчатого вала. Шпонка на нем должна быть заподлицо с ответной плоскостью крышки, закрывающей коренной подшипник.
- Это означает, что поршень первого цилиндра находится в верхней мертвой точке.
- Нажмите на тягу натяжителя до упора и зафиксируйте ее стопорным штифтом.
Снимите башмак натяжителя цепи и зафиксируйте натяжитель цепи шпилькой. - Снимите натяжитель (А) вместе с рычагом (В).
- Отверните два болта крепления натяжителя к блоку цилиндров и снимите натяжитель со штифтом.
- цепь ГРМ и направляющую цепи ГРМ (А) теперь можно заменить).
- Снимите смазочный шприц (А) и нижнюю звездочку, затем снимите цепь, приводящую в движение уравновешивающий вал.
Снимите цепь с двигателя.
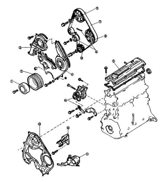
Установка привода газораспределения
- Замените звездочку коленчатого вала.
- Заблокируйте смазочный шприц (А) с крутящим моментом 7,8–9,8 Н·м.
- Поверните коленчатый вал так, чтобы шпонка совместилась с сопрягаемой плоскостью крышки коренного подшипника.
- При замене коробки передач впускной и выпускной валы должны находиться в положении, при котором метка ВМТ на обеих шестернях находится на одном уровне с верхней плоскостью головки блока цилиндров. Тогда поршень в первом цилиндре займет самое верхнее положение (такт сжатия).

Проверьте совмещение меток А (цветные звенья) на цепи привода ГРМ с метками на звездочке В на впускном и выпускном распределительных валах. Кроме того, метки B на звездочках впускного и выпускного распределительных валов должны быть обращены друг к другу.- Закрутите направляющую (А) динамометрическим ключом с моментом 9,8-11,8 Нм.
Прикрутите направляющую - Установите новую цепь ГРМ на G4KD. Во избежание повреждений между коленчатым валом и распределительным валом соблюдайте последовательность: шестерня коленчатого вала (А) — направляющая (В) — шестерня впускного CVVT (C) — шестерня выпускного CVVT (D). На каждой звездочке есть метки, они должны совпадать с цветными метками на цепи ГРМ.
- Зафиксируйте рычаг натяжения (9,8-11,8 Нм).
- Прикрепите рычаг натяжителя
- Установите автоматический натяжитель цепи (А) и снимите ранее установленный штифт (9,8-11,8 Нм).
- Провернув коленчатый вал на два оборота по часовой стрелке, установите метки, как показано на рисунке.
- Очистите все контактные поверхности от старого герметика и обезжирьте их.
- Нанести герметик на опорную поверхность крышки цепи (ширина 3 мм) и прикрутить.
Регулировочный штифт блока цилиндров и отверстие в корпусе ГРМ должны быть установлены в соответствии с процедурой сборки (стопор резьбы М6: 7,8–9,8 Нм, резьба М8: 18,6–22,5 Нм).
Монтаж поддона и клапанной крышки
Дальнейшая сборка после замены цепи ГРМ выглядит следующим образом:
- Удалите старый тампон с задней части чашки.
Удалите остатки старого герметика с маслосовместимых поверхностей
картер - Нанесите жидкий герметик, чтобы случайно не попасть в деталь.
Нанесите специальный герметик на сопрягаемую поверхность масляного поддона. - Прикрутите поддон к корпусу.
- Прикрутите поддон к корпусу.
- Подождите, пока герметик высохнет (не менее 30 минут), прежде чем заливать масло в G4KD).
- Закрепите кронштейн компрессора (19,6-23,5 Нм).

Прикрепите кронштейн компрессора.- Закрепите компрессор снизу болтами (19,6-24,5 Нм).
- Нанесите герметик на крышку головки блока цилиндров (ширина полосы 2,5 мм). После этого в течение пяти минут замените крышку. Удалите излишки экструдированного силикона.
-
Не используйте повторно прокладку клапанной крышки.
-
- В течение получаса после сборки необходимо сварить и продуть головку.
- Установите болты на головку блока G4KD в порядке, указанном на рисунке, с моментом затяжки 3,9 — 5,95 Нм, затем затяните их с моментом 7,8 — 9,8 Нм.
Порядок затяжки болтов крепления крышки головки блока цилиндров. - Установите катушку зажигания (3,9-5,9 Нм).
- Подсоедините катушку зажигания (A) и трубку PCV (B).
- Подсоедините вентиляционный шланг.
- Подсоедините разъем выпускного клапана (А).
Когда менять ремень генератора на Киа Спортейдж 3?
Ремень и ролики генератора Киа Спортейдж 3 В нашем случае состояние ремня и роликов проверяется каждые 15 000 км (ТО). При обнаружении дефектов или неисправностей детали подлежат замене.
Причина стука двигателя G4KD
Двигатель G4KD имеет алюминиевый блок цилиндров. В процессе эксплуатации из-за плохого охлаждения пары юбка поршня — цилиндр происходит износ трущихся поверхностей, на зеркале цилиндра появляются задиры. Стук двигателя, особенно громкий на холодном двигателе, это как раз стук от замены поршня в изношенном цилиндре. Стук хорошо слышен на видео ниже.
Система охлаждения этого двигателя лишена важного компонента, а именно форсунок охлаждения поршней. Так сделано на заводе, видимо, в целях экономии. Но в результате у двигателя довольно массовая проблема, за которую корейцам часто приходится расплачиваться, ведь большой процент поломок приходился на гарантийный период. Возможно, по этой причине после рестайлинга в 2014 году на автомобили стали устанавливать другой двигатель, с заводским названием Nu, с таким же объемом.
Еще одна причина задиров в цилиндрах двигателя Киа Спортейдж – некачественное моторное масло, либо низкий уровень масла. Хотя во втором варианте больше страдает не цилиндро-поршневая группа, а вкладыши коленчатого вала.
В интернете видел пост, в котором показаны царапины двигателя в прошлом на автомобилях, владельцы которых устанавливают за передним бампером всевозможные демпферы (иногда картонные) для уменьшения обдува радиатора, чтобы быстрее прогреть машину зимой. Якобы масло в двигателе хуже охлаждается, что приводит к еще более высоким температурным нагрузкам на поршни. У этой теории есть своя логика. Но все же причина здесь именно в отсутствии форсунок для охлаждения поршней в системе смазки.
Какой тип ГРМ на Киа Спортейдж 3?
Обычно это происходит после 80 км. В некоторых случаях они ограничиваются ремонтом, а не заменой всего сустава. Остальные элементы полноприводной трансмиссии непритязательны. Карданный вал имеет длительный срок службы и не требует обслуживания. Износ задних пыльников, с которыми ремень ГРМ на Киа Спортейдж 3 бывает очень редко, а также выпадение сальников за коробкой передач. Достаточно вовремя менять в нем масло.
Средний ресурс тормозных дисков и колодок всего 20 км! А все из-за некачественных корейских оригинальных запчастей. Иногда подушечки не подходят к брекетам — расшатываются.
Аналоговые детали немного дороже, но намного долговечнее. Полная замена родных расходников на неоригинальные сервисные повысит эффективность тормозов. Регулировочные болты на задних рычагах закисли и подрезаны.
Так что тут повезло: причина в некачественной раме. Ступичные подшипники меняются по кругу через 40-60 км. Хорошо, что есть доступные и более жесткие аналоги.
Третий Sportage оснащается гидроусилителем руля или электроусилителем руля, интегрированным в рулевую колонку. Схему опять же найти сложно: к счастью, обе системы проблем не вызывают: на полноприводных Спортижах, в основном на автомобилях — производства 40 км, у которых ГРМ на Киа Спортейдж 3 — это соединительный разъем, идущий через распределитель промежуточного вала и правый редуктор.

Сцепление дергается так сильно, что вал диска крутится на холостом ходу, а правый руль остается на месте. Оба элемента подлежат замене. Производитель заменил неисправные детали по гарантии на такие же новые.
Узлы не модернизировали, только исправили производственную ошибку: уменьшили допуски на зазоры в траках.


Из-за износа этой пары иногда начинал подтекать сальник раздаточной коробки, что само по себе особого беспокойства ГРМ Киа Спортейдж 3 не вызывает. Многие недовольны подвеской — их амортизаторы редко превышают 60 км. На рынке есть неоригинальные, но более удобные аналоги по привлекательной цене, но подходят они не для всех автомобилей.
Данные испытаний укажут на изменение фаз газораспределения двигателя. Все производители автомобилей особенно осведомлены о качестве масла и указывают, что при несоблюдении правил эксплуатации, касающихся частоты и качества замены масла, возникает открытая дистрибьюторская цепочка. При эксплуатации автомобиля используйте только рекомендованные заводом-изготовителем масла.


Несвоевременная замена цепи ГРМ, цена которой значительна, а стоимость ремонтных работ высока, подстерегает владельцев Daewoo, Kia, SangYong, Hyundai, Chevrolet и других марок, не меняющих моторное масло регулярно. Если автовладелец не контролирует расход масла, давление в системе падает, в результате чего ослабевает натяжение цепи.
к причинам преждевременного износа цепи ГРМ также относятся: Преждевременная замена поврежденной цепи ГРМ приводит к проскальзыванию, разрушению зубьев звездочки и повреждению головки блока. После разборки промойте их в бензине, высушите и осмотрите поверхность.
Зачастую трещины и другие точки на Киа Спортейдж 3, говорящие о скором переломе зуба, на первый взгляд незаметны, а после установки новой цепи, сделав большой объем, вскоре придется переделывать работу по переключению передач.
По окончании работы необходимо долить масло и антифриз.
Замена цепи ГРМ на Киа: когда и как это делать

В некоторых автомобилях работа распределительного и коленчатого валов координируется цепным приводом практически с идеальной надежностью. Например, замена цепи ГРМ на Киа может понадобиться только в редких случаях, когда деталь сильно растянулась или порвалась. Несмотря на то, что ресурс такой трансмиссии фактически не ограничен по отношению к ремню ГРМ, цепь необходимо периодически менять даже при отсутствии повреждений
Как проверить натяжитель цепи?
Проверка натяжителя цепи ГРМ — 2 способа: все просто и легко
- Снимите колесо
- Снимите подкрылок, он состоит из 2-х частей.
- Снимите трубку турбины (2 хомута).
- откройте смотровое окно, сняв резиновую заглушку.
- Отрегулировать шкив коленчатого вала с помощью головки и ключа
- Сделай фото натяжителя
Сколько ходит цепь на Киа Сид?
В наших двигателях ресурс цепи составляет в среднем от 120 до 160 000 км.
Сколько ходит цепь ГРМ на Киа Спортейдж 3?
Если почти на все зубья, то уже надо менять весь комплект ГРМ: цепь, натяжитель и успокоители. К счастью, цепь на бензиновых 2-литровых двигателях G4KD ходит достаточно долго, в среднем срок службы цепи на нашем Спортейдже составляет 200 000 км.
ГРМ привод для двигателя
После определения совместимости цепи ГРМ Киа Спортейдж 3 с двигателем переходим к следующим этапам обновления детали. Следует помнить о ременном приводе ГРМ:
Как видите, в конструкцию входят такие узлы, как шкив от коленчатого вала, а также термостат. Обратите внимание на верхнюю и заднюю крышки накопителя.
Направляющий диск вместе с натяжным пружинным роликом заслуживает отдельного упоминания. Работы по замене такого ответственного узла, как цепь ГРМ, должны проводиться по строжайшему регламенту.
Если ремень порвется в процессе эксплуатации, проблем с клапанами и вытекающих из этого затрат на ремонт не избежать. Не забудьте сначала выяснить, какой ремень пошел. В двигателе две цепи, поэтому постарайтесь не запутаться.
Итак, разобравшись с теорией, можно дополнительно коснуться, когда нужно менять ремень ГРМ на Киа Спортейдж 3.

- https://zapchasti.expert/grm/remen-ili-cep-grm-kia-sportage-3.html
- https://4x4top.ru/kia-sportage-3-tsep-grm-skolko-hodit/
- https://s-lin.ru/zamena-tsepi-grm-kia-sporteydzh-2011/
- https://vw-guide.ru/kia/zamena-grm-g4kd-kak-pomenyat-tsep-metki-komplekt-zapchastej/
- https://infokia.ru/obsluzhivanie/zamena-grm-na-kia-sportejdzh-3
- https://infolifan.ru/articles/zamena-grm-g4kd-kak-pomenyat-cep-metki-komplekt-zapchastey/
- https://www.autoservice-korean.ru/inf/sportage/zamena-remna-grm/
- https://andresanda.ru/motory/metki-grm-kia-sportejdzh.html
- https://rad-star.ru/pressroom/articles/zamena-tsepi-na-grm/