Признаки выхода из строя
Замена подшипника передней ступицы Киа Рио может потребоваться при следующих обстоятельствах:
- Истечение срока службы узла.
- Регулярные чрезмерные нагрузки осевого или радиального характера.
- Деструкция сепаратора.
- Износ дорожек качения или шариков.
- Попадание внутрь узла грязи и влаги.
- Высыхание смазки и, как следствие, перегрев подшипника.
- Использование подшипника низкого качества.

Характерными признаками выхода из строя ступичного роликоподшипника являются:
- посторонние звуки со стороны колес при разгоне на трассе;
- посторонние звуки при выполнении поворотов в одну из сторон;
- скрежет и гул в области расположения подшипника.
Произвести диагностику состояния роликоподшипника ступицы можно следуя такому алгоритму:
- Приподнять транспортное средство при помощи домкрата.
- Произвести раскачивание автомобильного шасси руками, прислушиваясь при этом к звукам.
- Перемещение колеса в осевом направлении. Если колесо имеет более 0.5 миллиметра свободного хода – значит роликоподшипник не исправлен.
Как заменить подшипники передней ступицы на автомобиле Kia Rio своими руками
Если вы хотите заменить подшипники передней ступицы на своем Kia Rio, обязательно приобретите специальный съемник, или оправку, для подшипников передней ступицы, предназначенный для Kia Rio, в дополнение к обычным слесарным инструментам.

В противном случае могут возникнуть проблемы при выталкивании старого подшипника или вдавливании нового, что может привести к заклиниванию колеса или разрушению подшипника, что приведет к аварии.
Помимо съемника, вам понадобятся головка «на 30», гаечные ключи размеров «17», «12» и «19», небольшое зубило или пробойник, съемник стопорных колец, отвертка, молоток, домкрат и колесный ключ. Также пригодится съемник замков рулевого управления.
- Затяните ручной тормоз и поднимите автомобиль домкратом. После того как автомобиль поднят домкратом, обязательно зафиксируйте его колесом или подставкой домкрата, снятой с автомобиля, чтобы избежать травм в случае падения автомобиля.
- С помощью плоской отвертки или тонкого зубила вытолкните пружинный зажим на гайке ступицы.

- Снимите гайку ступицы с помощью торцевой головки размера «30», используя большой рычаг.
- С помощью торцевого или накидного ключа размера «17» открутите два болта каретки суппорта.

- С помощью отвертки снимите тормозные колодки, а затем снимите суппорт с диска. Закрепите суппорт на пружине передней подвески нейлоновой стяжкой или проволокой, чтобы он не зацепился за тормозной шланг.
- Используя гаечный ключ 12 мм, ослабьте винты крепления переднего диска и снимите диск. Если диск заедает, нанесите WD-40 на посадочное место и постучите молотком по посадочному месту, используя деревянный брусок.

- С помощью гаечного ключа на 17″ или аналогичного инструмента открутите болты шаровой опоры.
- Используя 19-дюймовый гаечный ключ и съемник замка рулевого управления, снимите замок рулевого управления. Затем, используя головку «19», выбейте втулку из посадочного места.

- Используя съемник стопорных колец или тонкогубцы, снимите стопорные кольца подшипников передней ступицы с обеих сторон.
- Используя специальную оправку или съемник подшипников передней ступицы, извлеките старый подшипник из посадочного места.

- Используя тот же съемник подшипников ступицы, снимите наружную часть подшипника со ступицы.
- Установите новое внутреннее стопорное кольцо на поворотный кулак.
- Используя тот же съемник, что и для подшипника передней ступицы, запрессуйте новый подшипник в посадочное место. Это небольшая хитрость, если вы хорошо охладите новый ступичный подшипник в холодильнике, а затем в морозильной камере, его будет гораздо легче установить в автомобиль. Не забудьте смазать посадочное место смазкой, например, RISOL 24, чтобы облегчить запрессовку нового подшипника. Не забудьте установить на место внешнее стопорное кольцо.

- После установки нового подшипника ступицы используйте съемник, чтобы запрессовать ступицу в подшипник.

- Затем соберите устройство в обратном порядке. Установите поворотный кулак и шаровую опору.
Список запасных частей производителя не допускает повторного использования ступичных гаек, а поскольку они являются расходным материалом, при сборке необходимо использовать новые ступичные гайки.
Установка нового подшипника переднего колеса восстановит комфорт вождения и повысит безопасность вашего автомобиля, поскольку разрушение подшипника является наиболее вероятной причиной аварий.
Устройство и местоположение подшипника у разных поколений Киа Рио
У машины Киа Рио второго и третьего поколений ступичный роликоподшипник запрессован в кулак. При демонтаже кулака следует обратиться в специализированный сервисный центр для проведения процедуры коррекции развала-схождения колес.
У автомобилей Рио первого поколения вместо одного роликоподшипника в кулаке, как в поздних версиях авто, имеется два подобных элемента в распорке и втулка между ними.
В случае первого поколения в ступице переднего колеса замене подлежат сразу два радиально-упорных шарикоподшипника.
Инструкция по снятию подшипника ступицы у Киа Рио
Процедуру проводят на СТО. Но многие водители делают это своими руками. Замену подшипника на передней ступице Киа Рио проводят тремя методами:
- Используют съемник. Кулак с запрессованным шарикоподшипником не демонтируют. В этом случае не нарушается сход-развал. Плохо, что к подшипнику трудно подобраться.
- Кулак демонтируют, деталь меняют на верстаке. Используют съемник и тиски. Плюс способа – удобно работать. Минус – нарушается развал колес.
- Стойку снимают полностью, узел меняют в тисках. Трудоемкий демонтаж – недостаток метода, а преимущество — качество работы.
Инструмент: набор ключей, трещотка, молоток. Без специального съемника ступичных подшипников и головки на 27 не обойтись. Вместо головки подойдет оправка. Крестообразная отвертка, динамометрический ключ также потребуются в работе. На верстаке нужны тиски. Запасают машинное масло, жидкость ВД-40, ветошь.
Второй способ замены шарикоподшипника ступицы практикуют чаще. Работы ведут по порядку:
- Машину фиксируют в неподвижном состоянии («ручник», упоры под колеса).
- Отпускают крепежи колеса, диски снимают, нажимают на тормозную педаль (нужен помощник), откручивают гайку ступицы.
- Отжимают и откручивают от кулака суппорт – крепежи находятся сзади. Освобожденный элемент подвязывают, иначе он будет мешать работе.
- Демонтируют тормозной диск.
- Делают две метки. Первой – отмечают дислокацию регулировочного болта по отношению к стойке. Вторая метка покажет, как кулак должен располагаться по отношению к стойке. Потом при сборке нужно совместить метки.
- Выкручивают крепления кулака, отсоединяют его от стойки и нижней шаровой опоры. Для этого нужно открутить еще два болта.
- Демонтируют ступицу с шарикоподшипника, используя для этого наставку, подходящую по размеру. Потом отсоединяют стопорное кольцо.
Теперь работу продолжают на верстаке.
Установка нового ступичного подшипника
Момент, когда удаляют отработанную комплектующую и устанавливают другую – очень ответственный. Важно не деформировать детали. Последовательность работы:
- Съемник фиксируют тисками, выпрессовывают старую деталь.
- Место дислокации нового шарикоподшипника в поворотном кулаке очищают от грязи, смазывают.
- Запрессовывают новую деталь. Делают одним из двух методов: безударным, используя съемник, либо ударным, применяя оправку.
Когда деталь запрессована, всю работу проделывают в обратном порядке. Замена ступичного подшипника Киа Рио 2 проходит по такому же алгоритму.
Подшипник передней ступицы Киа Рио 2, 3 поколения — цена, производители, артикулы
При выборе запчастей особое внимание уделяйте производителю. Стоит отметить, что шарикоподшипники такого типа по цене менее 1000 рублей, изначально считаются не надежным вариантом в плане качества и срока службы.
Собрав отзывы владельцев авто, которые уже выполняли замену, была составлена таблица рекомендуемых производителей с ценами, артикулами, комплектацией.
Артикул переднего ступичного подшипника KIA RIO 3 и 2: 51718-29100
Таблица рекомендуемых производителей: артикулы
| 2 | SNR Франция |
R184.05 |
| 3 | FAG Германия |
713 6195 10 |
| 5 | SKF Швеция |
VKBA3907 |
| 6 | RUVILLE Германия |
8405 |
| 7 | SNR Франция |
R18911 |



Размеры подшипника передней ступицы Kia Rio II, III
| Внутренний диаметр, d | mm | 38 |
| Наружный диаметр, D | mm | 70 |
| Номинальная высота, B | mm | 37 |
| Радиус монтажных фасок, r | mm (min) | 1,5 |
| Грузоподъемность динамическая | kH | 38.1 |
| Грузоподъемность статическая | kH | 34.3 |
| Номинальные обороты | об/мин | 5000 |
| Осевой зазор | mm | 0,06-0,09 |
| Тип стали | — | ШХ-15 |
| Тип смазки | — | С17 (Литол-24) |
| Твердость стали и роликов | HRC | 61-65 |
| Угол контакта | град. | — |
| Момент затяжки | N*M | 157-235 |
| Шероховатость колец | Ra | 0.32 |
| Количество шариков | шт. | 28 |
| Диаметр шарика | mm | 11,112 |
| Вес | г. | 600 |
Меняем ступичный подшипник Киа Рио 3
Для замены детали на Киа Рио 3 вам потребуются:
- набор ключей и розеток;
- трещотка;
- борода;
- молоток;
- шпиндель (можно использовать головку на «27»);
- съемные устройства (ступица, подшипник);
- отвертки плоские и крестовые;
- WD-40;
- толстый
- чистые тряпки.
Замена осуществляется в несколько этапов: разборка поворотного кулака, снятие (запрессовка) старой и установка (запрессовка) новой детали.
Снятие поворотного кулака
Округлый кулак
Удаление поврежденного подшипника переднего колеса на Киа Рио 3 предполагает разборку поворотного кулака. Последовательность действий на автомобиле Киа Рио 3 следующая:
- Автомобиль раскладывается на ровной поверхности, ручник натянут, упоры выставлены под задние колеса.
- Баллон ослабляет крепления колеса.
- Машинка поднята. Полностью откручены гайки, снят защитный колпачок.
- Гайки снова накручиваются на две шпильки для фиксации колеса. Автомобиль опускается.
- При помощи немного сдвигается контргайка с места (может потребоваться обработка «ведашкой»).
- Ослаблены крепления ступицы и две гайки, удерживающие колесо.
- Автомобиль поднимается и опирается на опоры. Окончательно откручиваются ступица и гайки колеса, колесо снимается.
- Конец штока и крепления держателя тормозного шланга откручиваются кулаком. Последний назначается.
- Если установлена АБС, датчик скорости вращения колеса снимается.
- Суппорт разобран, деталь закреплена на пружине (главное не перекручивать, натяжение шланга осталось на месте).
- Хвостовик внешнего ШРУСа вытаскивается из ступицы и подвешивается на куске проволоки. Затем телескопическая опора поворачивается в сторону.
- При необходимости снимается тормозной диск.
- Отвернуты крепления амортизаторной стойки (нужно держать болты). Болты снимаются с сиденья.
- Поворотный кулак снимается вместе со ступицей.
- Следующим этапом будет замена ступичного подшипника Киа Рио 3, подробная инструкция представлена ниже.
Меняем ступичный подшипник Киа Рио 3
Алгоритм действий при замене подшипника передней ступицы Киа Рио 3:
- Стопорное кольцо, которым крепится ступица Киа Рио, снимается с помощью отвертки.
- Хаб выталкивается с помощью съемного устройства. Допускается возможность снятия ступицы оправкой.
- Подшипник ступицы снимается с поворотного кулака съемником. Допускается вариант выбивки, нужны только молоток и патрон (деталь в дальнейшем использовать нельзя).
- Новый ступичный подшипник (арт. — 5172002000), внутренняя поверхность посадочного места на поворотном кулаке и внешняя поверхность на ступице смазаны
- Деталь нажата. Приложенное усилие необходимо приложить к внешнему кольцу новой детали, иначе оно будет повреждено.
- Хаб также доведен до предела. Внутреннее кольцо подшипника должно соприкасаться со шпинделем. Если вы прижмете шпиндель к внешнему кольцу (или поворотному кулаку), подшипник может быть поврежден.
- Кулак установлен назад.
Аналогичные действия производятся и с другой стороны автомобиля.
Завершение ремонта
Завершающий этап замены подшипника ступицы переднего Киа Рио 3 предполагает установку поворотного кулака и сборку в сборе. Автомобиль снимается с опор, несколько раз раскачивается. Крепление деталей подвески затягивается, когда автомобиль уже стоит на земле.
При разборке тормозного механизма необходимо заново установить расстояния. Для этого пару раз нажмите на педаль тормоза.
Разборка поворотного кулака Киа Рио 3 предполагает, что после ремонтных работ на автомобиле углы установки колес отрегулированы должным образом. Наладку лучше всего проводить в мастерской, оснащенной соответствующим оборудованием.
Замена подшипника задней и передней ступицы Киа Рио
Гул или скрежет на небольших скоростях и при поворотах вашего Киа Рио, люфт или заедание колеса при диагностике говорят о неисправности ступичного подшипника.
Его заклинивание может привести к опасным ситуациям на дороге, поэтому вышедший из строя ступичный подшипник следует заменить в паре с таким же подшипником на другой стороне оси в кратчайшие сроки.
Эти детали устанавливаются вместе с сальником, но бывают ситуации, когда новый подшипник меняют в сборе с поворотным кулаком, а в случае задних колес, в зависимости от модели, всю ступицу в сборе с подшипником. Эту непростую процедуру лучше доверить специалистам, так как помимо опыта и квалификации здесь необходим специальный инструмент для запрессовки, а также строгое соблюдение технологии и чистоты — случайно попавшие грязи или влага даже в микроскопических количествах могут испортить всю работу.
Устройство и расположение ступичного подшипника у КИА Рио 1, 2 и 3 поколения
Как говорилось в начале статьи на Киа Рио 3 и 2 поколения, шарикоподшипник (6) запрессован в кулак (4,3). Если демонтировать кулак от стойки, тогда вероятнее всего потребуется сделать сход-развал колес.

Примечание:У автомобилей 1 поколения (2000-2005) стоят два конических подшипника в распорке с втулкой между ними. Принцип замены отличается, но не кардинально. У 3 и 2 поколения меняется один шарикоподшипник, у 1 модельного ряда до 2005 года выпуска стоят два конических радиально-упорных подшипника.
Далее показана схема устройства подшипникового узла передней ступицы у Киа Рио 1 поколения. Её можно сравнить с ВАЗ 2101, или Нивой Шевроле. Установлены в распор два конических радиально-упорных роликоподшипника.

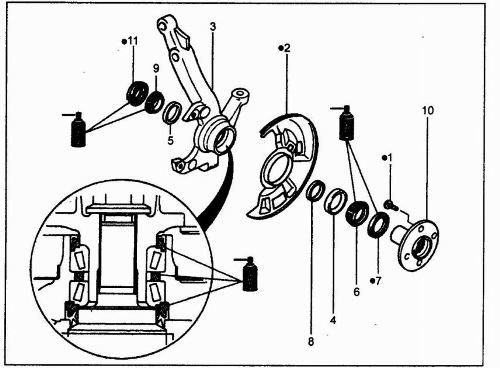
Ступица колеса и поворотный кулак:1 — шпилька крепления колеса, 2 — грязезащитный щиток тормозного диска, 3 — поворотный кулак, 4 — внешнее кольцо наружного подшипника, 5 — внешнее кольцо внутреннего подшипника, 6 — наружний подшипник, 7 — наружный сальник, 8 — регулировочная проставка, 9 — внутренний подшипник, 10 — ступица колеса, 11 — внутренний сальник.Инструкция подойдет для следующих моделей автомобилей
| 1.3 | 09.2000-02.2005 | A3E | Бензиновый двигатель | 75 | 1343 |
| 82 | 1343 | ||||
| 1.5 | A5D | 95 | 1493 | ||
| 1.5 16V | 98 | 1493 | |||
| 97 | 1493 | ||||
| 1.6 | 106 | 1594 | |||
| 1.2 CVVT | 11.2014 | G4LA | Бензиновый двигатель | 84 | 1248 |
| 1.25 CVVT | 06.2011 | 88 | 1248 | ||
| 10.2011 | 86 | 1248 | |||
| 1.4 CVVT | 06.2011 | G4FA | 107 | 1396 | |
| 10.2011 | 109 | 1396 | |||
| 1.6 | 09.2011 | G4FD | 140 | 1591 | |
| 1.6 CVVT | 06.2012 | G4FC | 123 | 1591 | |
| 1.1 CRDi | 09.2011 | D3FA | Дизель | 75 | 1120 |
| 1.2 CVVT | 11.2014 | G4LA | Бензиновый двигатель | 84 | 1248 |
| 1.25 CVVT | 09.2011 | 13 | 86 | 1248 | |
| 13 | 88 | 1248 | |||
| 1.25 LPG | 13 | 86 | 1248 | ||
| 1.4 CRDi | D4FC | Дизель | 90 | 1396 | |
| 1.4 CVVT | G4FA | Бензиновый двигатель | 109 | 1396 | |
| 13 | 107 | 1396 | |||
| 1.6 | 09.2012 | G4FD | 140 | 1591 | |
| 1.6 CVVT | 06.2012 | G4FC | 123 | 1591 |
Алгоритм замены ступичного подшипника в Kia Rio
Замена передних подшипников без нарушения баланса развала-схождения автомобиля может производиться двумя способами:
- с заменой роликоподшипника без демонтажа кулака;
- смена элемента на полностью демонтированной стойке.
Для выполнения ремонтных работ самостоятельно следует обзавестись следующим инструментом:
- набор различных ключей или головок;
- оправка или головка на двадцать семь для выпрессовывания неисправного элемента;
- молоток;
- тиски для фиксации стойки;
- специальный съемник для подшипников;
- отвертка крестообразного вида;
- машинное масло;
- ветошь;
- жидкость ВД-40;
- динамометрический ключ.
Снятие разрушенного узла на Киа Рио

Замена переднего ступичного подшипника Киа Рио 3 производится по следующему сценарию:
- Снятие колесных болтов.
- Ослабление крепежного элемента передней ступицы.
- Поднятие передних колес при помощи домкрата.
- Снятие колес и срыв ступичной гайки.
- Выкручивание крепежа наконечника рулевой тяги.
- Выпрессовывание наконечника.
- Снятие болта крепления упора тормозного шланга.
- Демонтаж двух болтовых элементов крепления суппорта. Крепеж расположен позади суппорта.
- Откручивание кулака от опоры и стойки.
- Приподнимание кулака и его демонтаж из шаровой опоры.
- Выбивание болтов и демонтаж вала привода.
- Снятие винтов с головками под крестообразную отвертку.
- Демонтаж тормозного диска.
- Выбивание внутренней обоймы подшипника.
- Снятие стопорного кольца.
- Извлечение наружной обоймы при помощи съемника с диаметром порядка 68 миллиметров.
- Выбивание кольца из кулака при помощи молотка.
После выполнения всех этих действий демонтаж износившегося элемента можно считать оконченным и можно переходить к установке исправного роликоподшипника.
Монтаж исправного элемента ступицы
После снятия ступицы и выпрессовывания неисправного элемента следует выполнить следующие действия:
- Протереть и смазать машинным маслом посадочное место роликоподшипника.
- Выполнить запрессовывание. Сделать это можно двумя способами: безударным при помощи съемника и ударным с применением оправки.
- Установка стопорного кольца в соответствующую канавку.
- Снятие внутреннего кольца ступицы. Сделать это можно путем разрезания обоймы при помощи узкошлифовальной машинки и последующего сбивания детали при помощи молотка.
- Смазывание посадочной шейки ступицы.
- Запрессовывание роликоподшипника в ступицу при помощи съемника.
- Монтаж тормозного диска на ступицу и кулак.
- Установка получившейся конструкции на автомобиль.
- Затяжка гайки ступицы при помощи динамометрического ключа моментом в 235 ньютон-метров.
Важно отметить! Непосредственно перед установкой заменяемого узла необходимо смазать приводной вал, наконечник рулевой тяги и шаровую тяги при помощи литола. Соединения на основе резьбы лучше смазывать при помощи графитовой смазки.
Замена передних подшипников ступицы на первом поколении Киа Rio
Замена ступичного подшипника Киа Рио до 2005 года выполняется аналогично. Снятие и запрессовка нового узла производится по тому же алгоритму, что и для более новых моделей корейского автомобиля.
- https://kiarioinfo.ru/ekspluataciya/stupichnyj-podshipnik.html
- https://www.autoservice-korean.ru/inf/rio/zamena-stupicy-0/
- https://inomarkafix.ru/zamena-perednego-stypichnogo-podshipnika-na-kia-rio-svoimi-rykami.html
- https://FanKia.ru/stupichnyy-podshipnik-kia-rio-3/
- http://zamena-podshipnikov.ru/zamena-podshipnika-peredney-stupicy-kia-rio-3-2-1.html
- https://artikul-cars.ru/kia/rio-3-sedan-2011-2015/suspension/podshipnik-peredniy
- https://infolifan.ru/articles/menyaem-peredniy-stupichnyy-podshipnik-kia-rio-3/